Light beam profiler and propagation analyzer

Start date September 2012

Client University College Cork
Investigator

Dr David Nugent
david.nugent@elucidare.co.uk


Abstract

University College Cork (UCC) researchers have invented a method of analyzing the profile and propagation of a light beam using a combination of a digital micromirror device (DMD) and electronically controlled variable focus lens (ECVFL). Based on patents filed by the inventors in 2002, the technology promises important technical and commercial advantages over traditional techniques based on scanning pinholes or slits.

 

Beam profiler using DMD

Beam profiler using transmissive LCD shutter Beam propagation analyzer using DMD and variable focus lens

DMD scans a knife-edge or pinhole aperture across the beam profile

Optical power is detected by two point photodetectors

Monitoring photodetectors calibrate fluctuating optical power levels

Light transmitted through a pixelated LCD shutter

Polarisation diversity (not shown) renders profiler polarisation insensitive

 

Analog ECVFL and digital DMD profiler via pinhole mode allow the beam waist and thereby M2 parameter to be measured without translating the imaging stage

Suitable for multimode laser and LED light beams

No translation stages or moving knife edges allows high speed profiling

Spot photodiodes are wavelength optimised

Extremely compact design

Polarisation diversity allows each polarisation to be analyzed independently

Motion free operation promises better repeatability, speed and reliability compared to contemporary moving stage designs

 


Beam profiler using DMD

A Texas Instruments DMD chip is used to reflect light into a wavelength-optimised photodetector (+θ) or monitoring photodiode (-θ). The latter is used to calibrate for fluctuating beam powers.

The DMD can be mounted on an analog translation stage to increase the scanning resolution. In the example shown below, the lateral resolution was increased from 10 microns (the width of each micromirror) to 2 microns (the incremental translation distance).

 


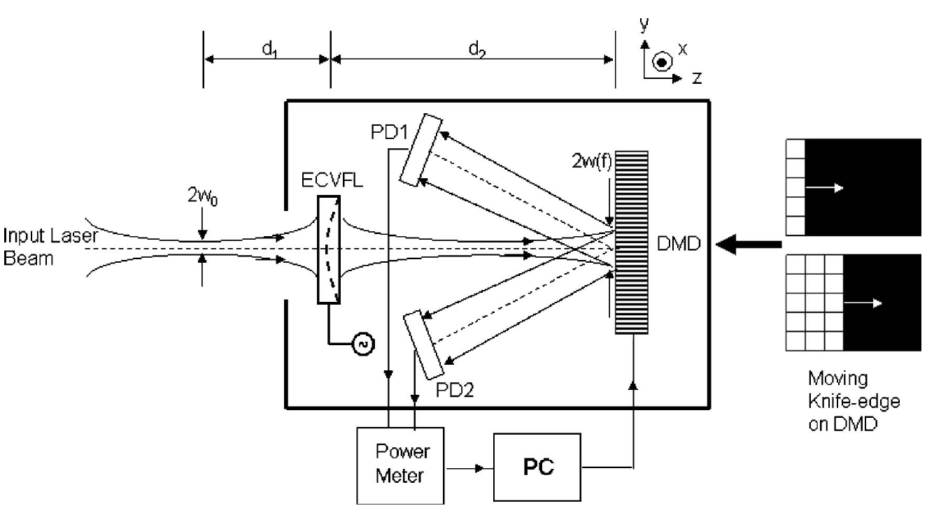
Beam propagation analyzer using DMD and variable focus lens

This motion-free laser beam propagation analyzer features a digital micromirror device (DMD) and a electronically controlled variable focus lens (ECVFL). Unlike prior analyzers that require profiling the beam at multiple locations along the light propagation axis, the proposed analyzer profiles the beam at the same plane for multiple values of the ECVFL focal length, thus eliminating beam profiler assembly motion. In addition to measuring standard Gaussian beam parameters, the analyzer can also measure the M2 beam propagation parameter of a multimode beam via the profiler's pinhole mode. Given the all-digital nature of the DMD-based profiling and all-analog motion-free nature of the ECVDL beam focus control, the proposed analyzer promised better repeatability, speed and reliability compared to contemporary mechnical methods.


Documents available for download

Access to the following documents may require subscription to the relevant publication.

 

N.A. Riza and M.J. Mughal, "Digital Optical Beam Profiler", US Patent 7,092,079. Provisional application filed 20 March 2002
N. Riza and D. Jorgesen, "Minimally Invasive Optical Beam Profiler," Opt. Express 12, 1892-1901 (2004).
M. Sheikh and N. Riza, "Motion-free hybrid design laser beam propagation analyzer using a digital micromirror device and a variable focus liquid lens," Appl. Opt. 49, D6-D11 (2010)
Riza, N.A.; Reza, S.A.; , "Broadband All-Digital Variable Fiber-Optic Attenuator Using Digital Micromirror Device," Photonics Technology Letters, IEEE , vol.19, no.21, pp.1705-1707, Nov.1, 2007
Sheikh, M.; Riza, N.A.; , "Demonstration of pinhole Laser Beam Profiling Using a Digital Micromirror Device," Photonics Technology Letters, IEEE , vol.21, no.10, pp.666-668, May 15, 2009
Riza, N.A.; All-Digital and Hybrid Analog-Digital Beam Profiling Technology, Photonik International online, March 2008
Reza, S.A.; Riza, N.A.; , "High Dynamic Range Variable Fiber-Optical Attenuator Using Digital Micromirrors and Opto-Fluidics," Photonics Technology Letters, IEEE , vol.21, no.13, pp.845-847, July 1, 2009